一般称频率在20kHz以上的声波为超声波。超声波具有频率高、能量大的特点,并对液体有空化作用。超声波加湿器根据这些特性,用来提高环境湿度,净化空气。本文以国萃牌SRQ-55A型多功能加湿器为例,用其电路作些分析,并介绍基本检修方法。
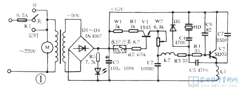
一、电路原理

加湿器的贮水器中放入一定量的水,水位开关K2自动闭合。接通电源K1后三极管Vl得到偏置并导通。电压经V1、N2、L2、R3、R4加到V2的基极,V2与外围元件构成的振荡电路开始工作,振荡频率在超声波段。一定幅度的振荡电压加到换能器HD上,使HD发出超声波,并在喷雾管腔内形成谐振,对水产生空化作用,使水的形态由液态转化成汽态.产生雾化效果。调节W1和W2可以调节振荡的幅度,从而调节喷雾量。一般W2装在面板上,wl设置在机内作为微调使用。风扇M用于散热。
二、故障代码
加湿器的主要故障为:一无雾;二雾量小;开机时有雾,片刻即无雾。
1、无雾
只见有微弱的水花,调节w2无效。根据故障现象估测是电路没有起振。由于动态测量需加水不太方便,故用断电测量电阻的方法查三极管及主要阻容元件均正常,说明电路工作基本正常。取下换能器HD,只见其表面被水封压住的地方腐蚀发黑,呈环状,如图2。测量环内外表面间的电阻在1M以上,而正常时阻值应为零,说明表面已经损坏。更换一只新的HD,故障排除。若无配件,可选一小段细铜丝(不能影响密封)做短路线,将内圆与外环连通焊牢(如图2),焊点尽量平整。

2、雾量小,调节W2无明显效果。
根据故障现象判断为电路振幅太小,使得HD得不到足够的能量。重点检查影响振幅的三极管V2及其偏置电路和电容等元件,查出两端电阻为62K,正常值应小于5K。仔细观察发现W1的一个引脚与碳膜层接触点锈蚀。更换w1后试机,喷雾正常。
3、开机时喷雾正常,一会儿雾量减少,最后无雾。分析故障原因是器件的热稳定或定时器接触不良。
首先测定时器的电阻为零正常。继续测电路中元件的在路电阻和不加水时的关键点电压均正常。最后检查换能器HD,取下发现其表面被腐蚀。测量HD表面环内外的电阻,指针在800k附近晃动。更换或用例1的方法修复HD,开机故障排除。
换能器HD由于长期工作在水中,易被腐蚀。建议遇到上述情况,先检查HD会收到事半功倍的效果。